液壓缸維修之液壓缸的差動連接?應用在什么場合?怎樣計算差動液壓缸的運動速度和牽引力?
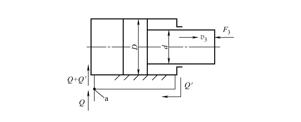
當單桿活塞缸兩腔同時通入壓力油時,由于無桿腔有效作用面積大于有桿腔的有效作用面積,使得活塞向右的作用力大于向左的作用力,因此,活塞向右運動,活塞桿向外伸出;與此同時,又將有桿腔的油液擠出,使其流進無桿腔,從而加快了活塞桿的伸出速度,單桿液壓缸的這種連接方式被稱為差動連接。 差動連接時,液壓缸的有效作用面積是活塞桿的橫截面積,工作臺運動速度比無桿腔進油時的大,而輸出力則較小。 差動連接是在不增加液壓泵容量和功率的條件下,實現快速運動的有效辦法。 4.怎樣計算差動液壓缸的運動速度和牽引力?

活塞的運動速度為(圖3-38): 圖3-38 差動連接 v3=ηV=ηV (3-14) 在忽略兩腔連通油路壓力損失的情況下,差動連接液壓缸的推力為: F3=p1(A1-A2)ηm=d2p1ηV (3-15) 5.舉例說明計算單桿液壓缸可推動的最大負載和運動速度的方法? 已知單活塞桿液壓缸的缸筒內徑D=100mm,活塞桿直徑d=70mm,進入液壓缸的流量Q=25L/min,壓力p1=2MPa,p2=0。液壓缸的容積效率和機械效率分別為0.98、0.97,試求在圖3-37(a)、(b),圖3-38所示的三種工況下,液壓缸可推動的最大負載和運動速度各是多少? 解:在圖3-37(a)中,液壓缸無桿腔進壓力油,回油腔壓力為零,因此,可推動的最大負載為: F1=D2p1ηm=×0.12×2×106×0.97=15237N 液壓缸向左運動,其運動速度為: v1=ηV==0.052m/s 在圖3-37(b)中,液壓缸為有桿腔進壓力油,無桿腔回油壓力為零,可推動的負載為: F2=(D2-d2)p1ηm=(0.12-0.072)×2×106×0.97=7771N 液壓缸向左運動,其運動速度為: v2=ηm==0.102m/s 在圖3-38中,液壓缸差動連接,可推動的負載為: F3=d2p1ηm=×0.072×2×106×0.097=6466N 液壓缸向左運動,其運動速度為: v3=ηV==0.106m/s 6.舉例說明計算柱塞液壓缸的推力和運動速度? 一柱塞缸柱塞固定,缸筒運動,壓力油從空心柱塞中通入,壓力為p,流量為q,缸筒直徑為D,柱塞外徑為d,內孔直徑為d0,試求柱塞缸所產生的推力F和運動速度v。 解:F=pA=d2p,v=== 3.1.5 液壓缸的故障分析與排除 1.維修液壓缸時主要查哪些易出故障的零件及其部位? 如圖3-39所示,液壓缸易出故障的主要零件有活塞、活塞桿、缸體、導向套、活塞與活塞桿密封等。 液壓缸易出故障的主要零件部位有:活塞與活塞桿配合面的磨損拉傷;活塞桿和導向套配合面的磨損拉傷;活塞密封破損;其他密封破損等。
圖3-39 液壓缸易出故障的零件及其部位

1—防塵密封;2—磨損補償環;3—導向套;4、12、14、16—O形圈;5—螺母;6—密封圈;7—緩沖節流閥;8、10—螺釘;9—支承板;11—法蘭蓋;13—減震墊;15—卡簧;17—活塞磨損補償環(斯來圈);18—活塞密封(格來圈+O形圈);19—活塞;20—緩沖套;21—活塞桿;22—雙頭螺桿
武漢力富特液壓科技有限公司,是武漢液壓維修行業的領軍企業,公司專業維修液壓油缸,伺服油缸,液壓系統及各類液壓設備。作為液壓行業的專業維修廠家,我們的技術、質量及自動化水平等方面均處在國內同行業先進水平,公司位于優秀歷史名城武漢,能為各個行業提供及時優質的液壓維修服務。
友情鏈接??Copyright ? 2012-2024 武漢力富特液壓科技有限公司 版權所有 鄂ICP備16025594號1 ??鄂公網安備 42010302000812號??XML網站地圖